Zurück zur Übersicht
504220
35
18
16
32,5
52
0,8
M 16x1,5
17
8
3
0,6
21
57
6500
8500
16
16,018
16000
18000
0,165
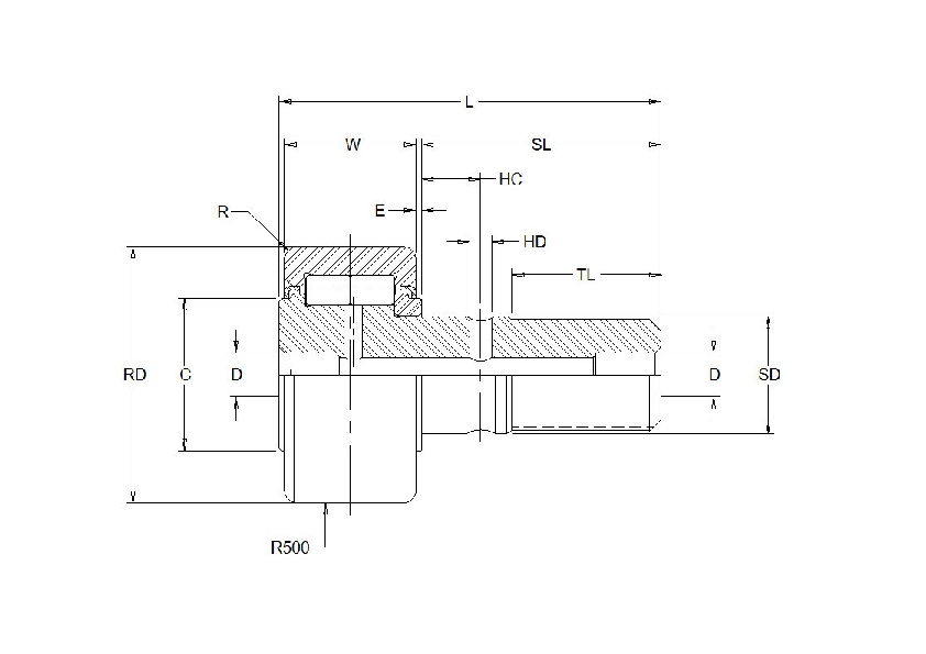
Kurvenrollen
MCFD
schwere Ausführung
vollrollig
Schraubendreherschlitz
ohne Dichtung
zylindrisch
McGill
504220
Serie MCFD mit Nachsetzzeichen -X: vollrollig, gedeckelt, mit zylindrischem Mantel
(Die Ausführungen -B mit Innensechskant und -X mit zylindrischem Manten sind untereinander kombinierbar.)
Das Anzugsmoment bezieht sich auf ein trockenes Gewinde. Bei gefettetem Gewinde halbieren sich die Werte.
Die statische Tragzahl ist abhängig von der Güte des Bolzen oder der Lastverteilung der Laufkörper.
Die Lagerbelastung unter dynamischer Beanspruchung soll 50% der dynamischen Tragzahl (Einsatz als Laufrolle) nicht überschreiten.
Drehzahl: Da Belastung, Schmiermethode, Temperatur und andere Faktoren die maximale Drehzahl beeinflussen, ist die präzise Angabe einer maximalen Drehzahl nicht möglich. Die angegebenen maximalen Drehzahlen basieren auf leichter Belastung, passender Schmierung und dem Einsatz als Führungsrolle. Bei Verwendung einer Fettschmierung muss regelmäßig nachgeschmiert werden. Sollte sich die zuerwartende Drehzahl der angegebenen maximalen Drehzahl nähern, muss ein Testlauf durchgeführt werden.
Zurück zur Übersicht
