Zurück zur Übersicht
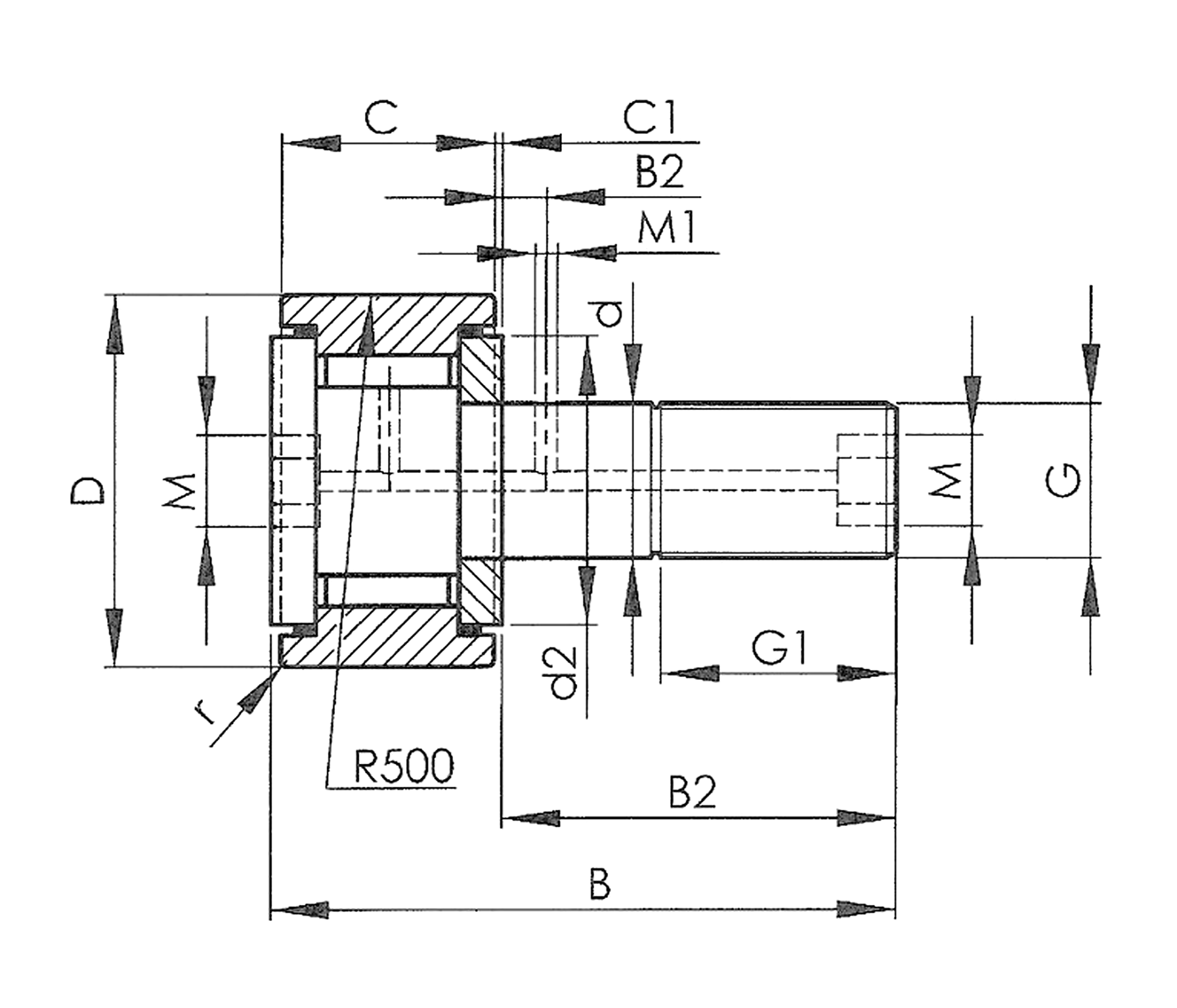
511910
40
18
20
1
58
36,5
8
M18x1,5
19
6
3
0,8
32
58,0
13,37
10,14
10,66
7,33
6.100
0,248
Kurvenrollen
KR
Standard
käfiggeführt
Innensechskant
Beidseitige Abdichtung
ballig
ASK
511910
Zurück zur Übersicht
