Zurück zur Übersicht
101716
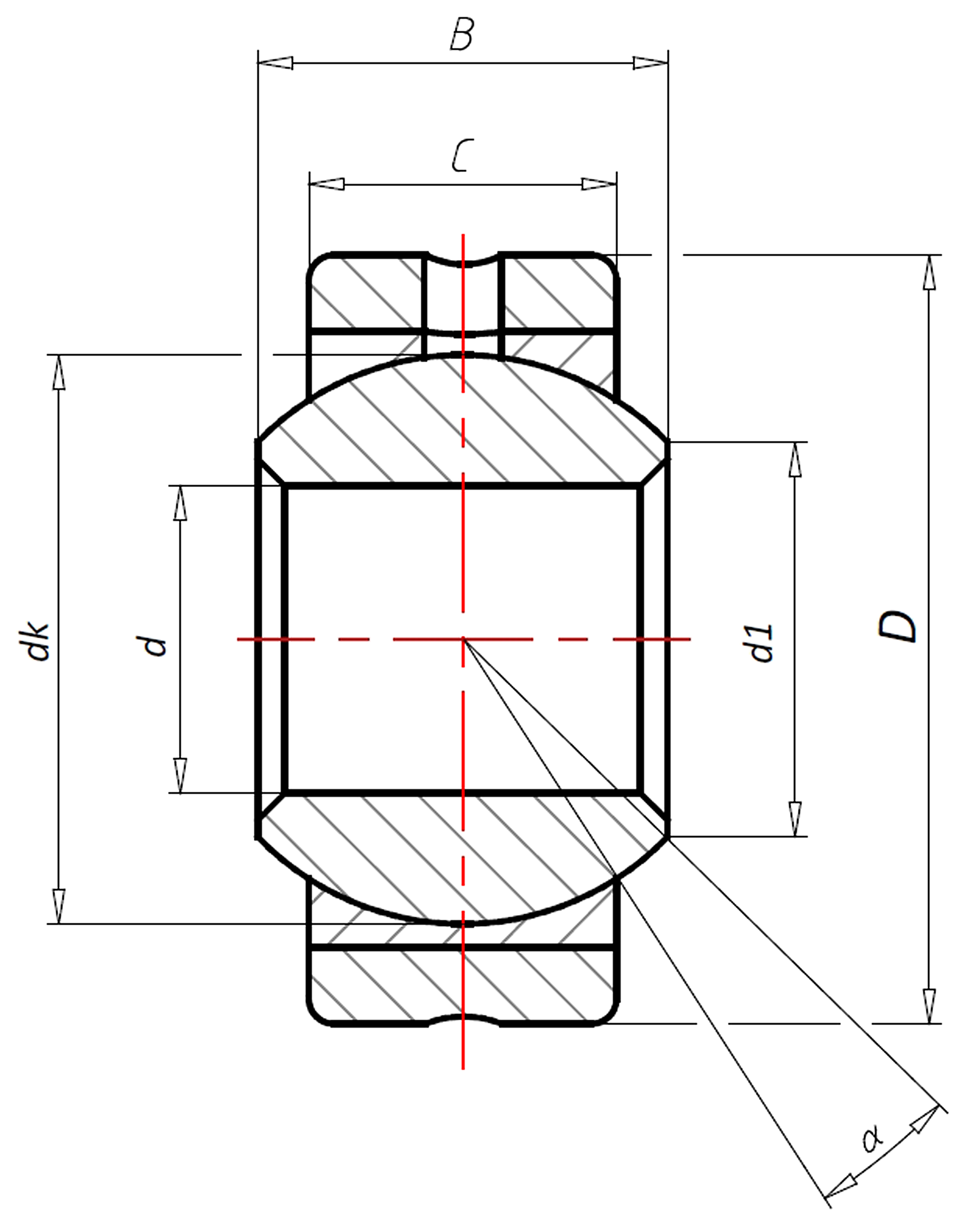
20
24,3
25
18
46
34,9
135
31,5
15
0,23
S: Gelenklager wartungspflichtig
Sonderausführung
Gleitlagerung
ohne Dichtung
wartungspflichtig Stahl/Bronze
Innenring an Gleitoberfläche hartverchromt, Außenteil Edelstahl
101716
Innenring: 100Cr6 an Gleitoberfläche hartverchromt, gehärtet, geschliffen und gefinished.
Außenring: Bronze, Außendurchmesser geschliffen, Gleitfläche aus Hochleistungsbronze. Die Schmierstoffverteilung erfolgt über die Schmiernut im Außenring.
Außenteil: Edelstahl, Außendurchmesser geschliffen. Das Gelenklager wird in das Außenteil gepresst und beidseitig gegen axiales Verschieben gesichert. Dennoch ist beim Einbau darauf zu achten, dass beide Außenringe axial abgestützt werden.
Schmierung: Der Schmierstoff gelangt über eine Querbohrung im Außenring bzw. im Außenteil in die Schmiernut.
Zurück zur Übersicht
Bitte beachten Sie unsere Nutzungsbedingungen.
