Zurück zur Übersicht
507497
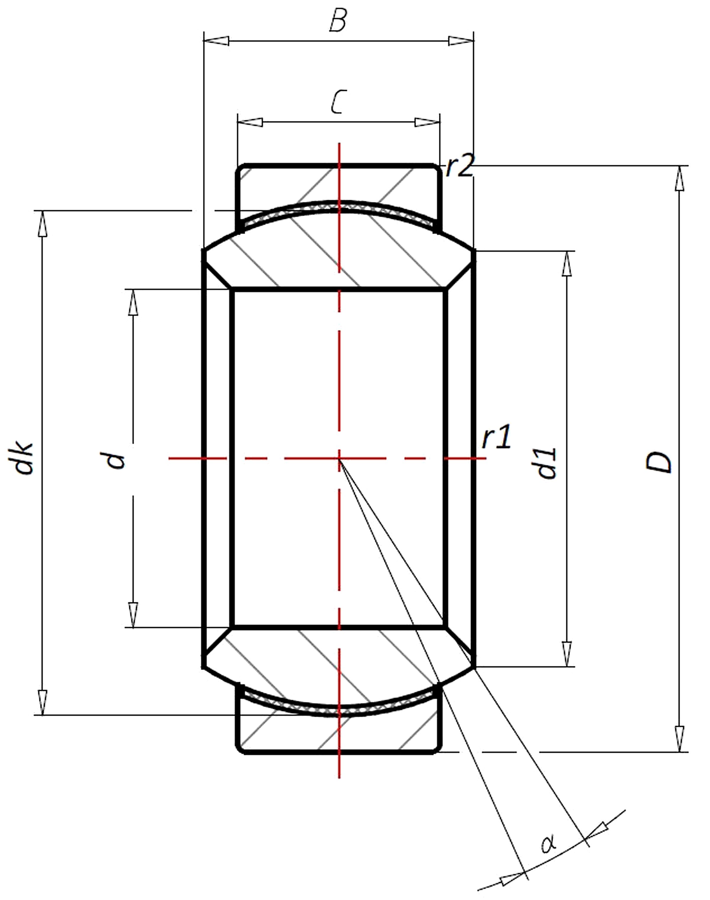
12
15
10
7
22
18
0,8
0,8
29
11
0,017
GE-TGR: Gelenklager Maßreihe E, wartungsfrei
Maßreihe E
Gleitlagerung
ohne Dichtung
wartungsfrei Stahl/PTFE
Edelstahl
507497
Innenring: Edelstahl, gehärtet, geschliffen und gefinished
Außenring: Edelstahl ausgekleidet mit PTFE, kalt um den Innenring geformt.
Zurück zur Übersicht
Bitte beachten Sie unsere Nutzungsbedingungen.
