Zurück zur Übersicht
                
            512476
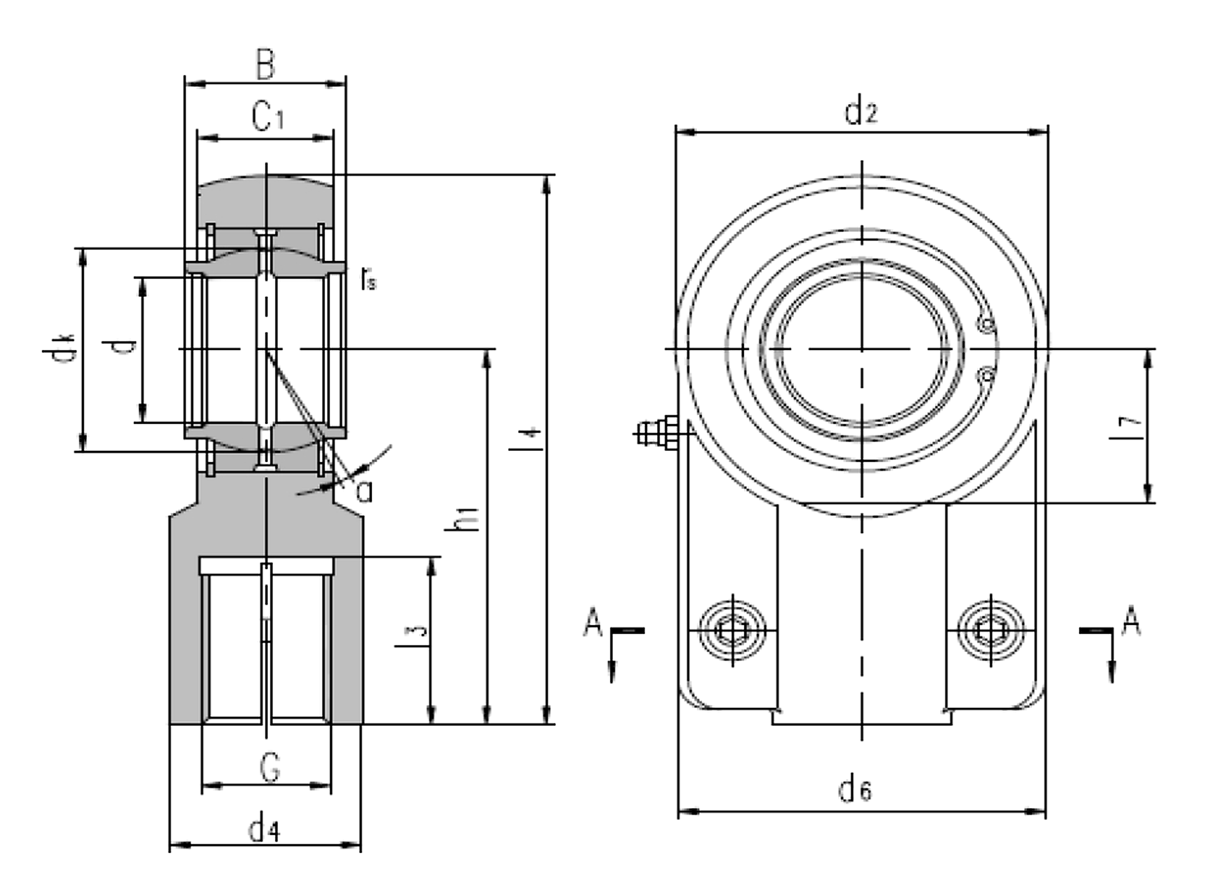
100
M80x3,0
110
130,0
96,0
100
85
210
98
210
322,0
178,0
4
549,0
954,0
28,00
GIHN-K-LO: Hydraulikgelenkköpfe, Innengewinde
Hydraulik
wartungspflichtig Stahl/Stahl
Innengewinde rechts
Gleitlagerung
Standard
512476
Zurück zur Übersicht
Bitte beachten Sie unsere Nutzungsbedingungen.
