Zurück zur Übersicht
502022
12
63
48
5,5
5,5
11,5
7
38
19,0
17,5
4,0
M6
5,10
2,4
0,076
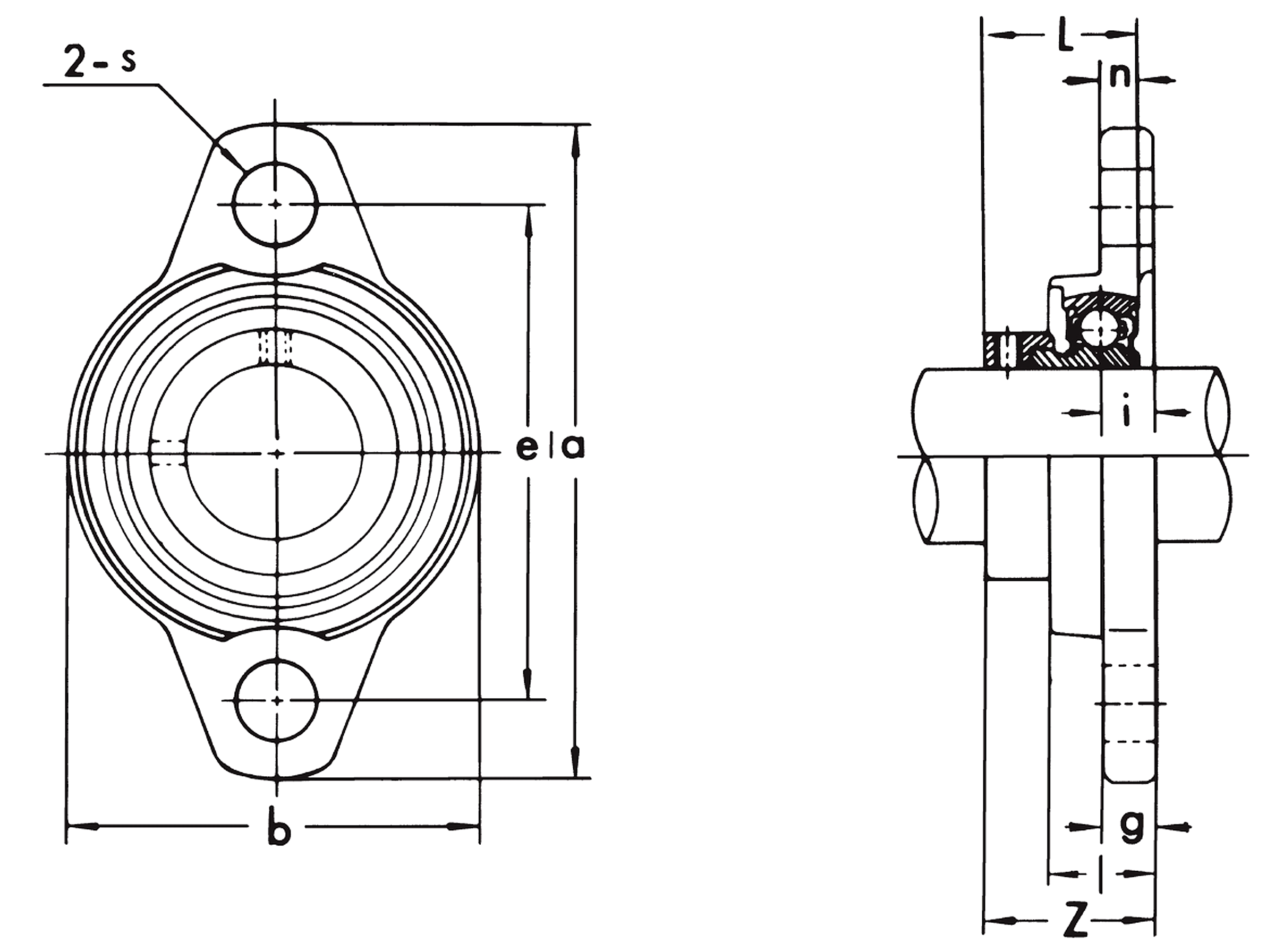
Flanschlager
UFL 000
Stahl verzinkt (Silber-Serie)
Exzenterring
ASAHI
502022
2-Loch-Flanschlager
Befestigung mit Exzenterring
Spannlager U 000+ER
Zurück zur Übersicht
