Zurück zur Übersicht
                
            505245
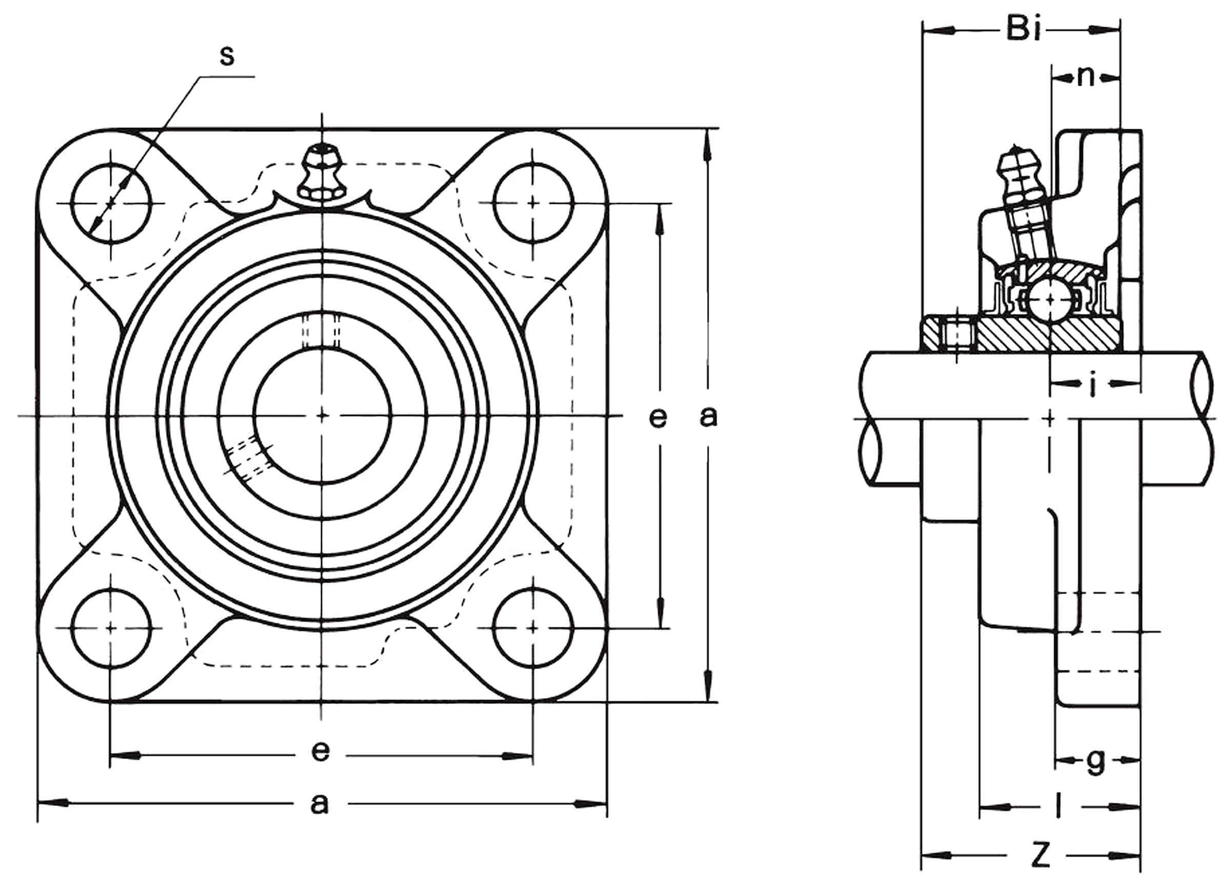
30
108
83
18
12,5
31,0
12
40,2
38,1
15,9
M10
16,7
9,0
1,27
Flanschlager
MUCF 200
Niroguss
Feststellschrauben
ASAHI
505245
Flanschlager
 Befestigung mit Feststellschrauben
 Spannlager MUC 200
Zurück zur Übersicht
