back to list
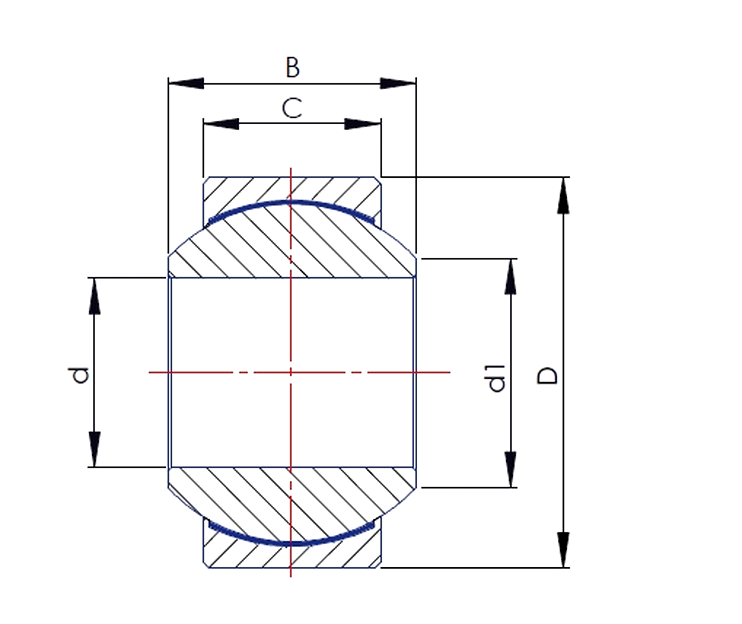
900365
0,19
0,3
0,437
0,327
0,625
47,58
20,11
15
0,014
G-575: Spherical plain bearing maintenance free
Special version
Spherical plain bearings
Maintenance free steel/PTFE
Inch
without V-groove
900365
Inner ring: Stainless steel, hardened, ground and polished
Outer ring: Stainless steel, lined with an antifriction film consisting of PTFE (HPL01)
HPL01: High performance liner
Bearing clearance: Reduced bearing clearance
back to list
