back to list
                
            504688
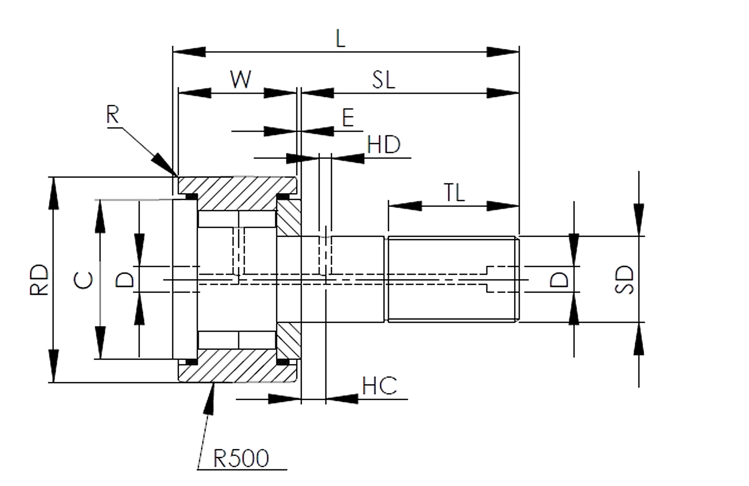
72
29
24
49,5
80
0,8
M 24x1,5
25
11
4
1,1
44
216
2100
2700
24
24,021
46000
57000
1,01
Cam follower stud type
MCFD
Heavy duty
Full complement of cylindrical rollers
With hexagonal hole
Without seals
Crowned coat
McGill
504688
Series MCFD with suffix -B: full complement of cylindrical rollers, shielded, crowned roller diameter and broach slot
 (The features -B and -X are to combine together.)
In this modification, relubrication through the flange end of the stud ist not possible.
Clamping torque is based on dry threads. If threads are lubricated, use half of value shown.
Since load, lubrication method, temperature and other factors affect the maximum operation speed, it is impossible to determine precise limiting speed. The limiting speeds are based on lightly loaded bearings having adequate lubrication and are listed only as a design guide. More frequent relubrication is required when operating at higher speeds. Actual bearing testin in the specifig application should be conducted if the anticipated operating speed approaches the listing limitign speed.
Dynamic load hold not exeed 50% of dynamic rating as a track roller.
Static load rating is based on stud strengh or on internal rolling element load distribution.
back to list
