back to list
UCT 201
Please read our terms of use.
UCT 200
PDF datasheet
Optimal display with Chrome, Edge and Firefox
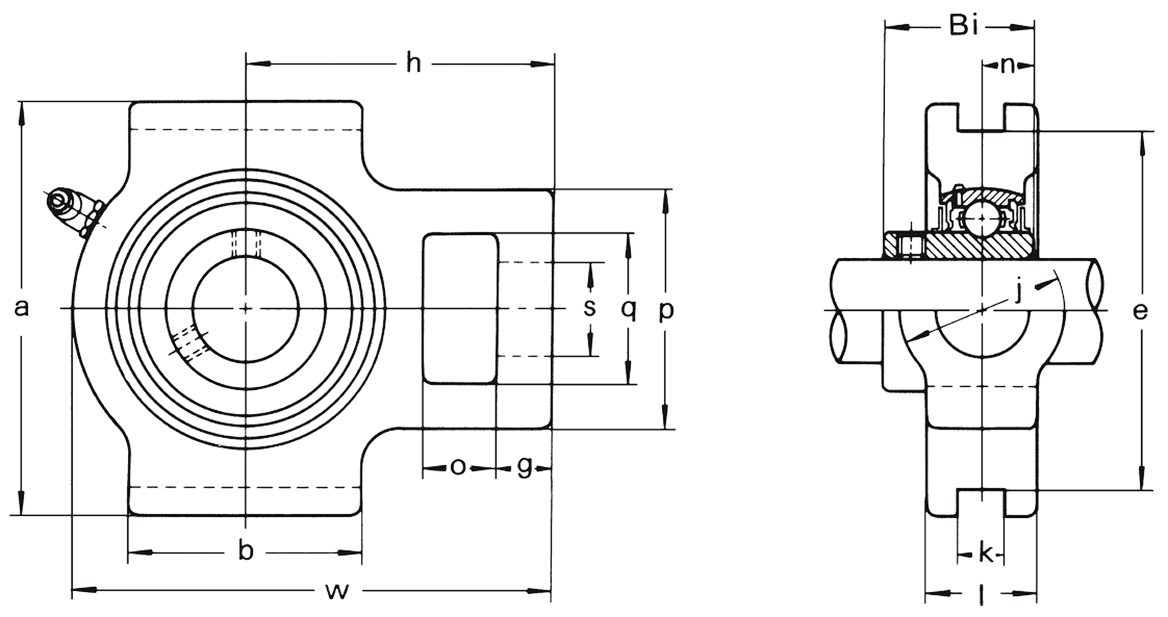
Specification
Identification numbers
502104
Measurement
12
16
10
51
32
19
51
12
76
89
94
32
21
61
31
12,7
12,8
6,6
0,79
Take-up unit
UCT 200
Cast iron
Set-screw locking
ASAHI
502104
back to list
