back to list
UCF 209
Please read our terms of use.
UCF 200
PDF datasheet
Optimal display with Chrome, Edge and Firefox
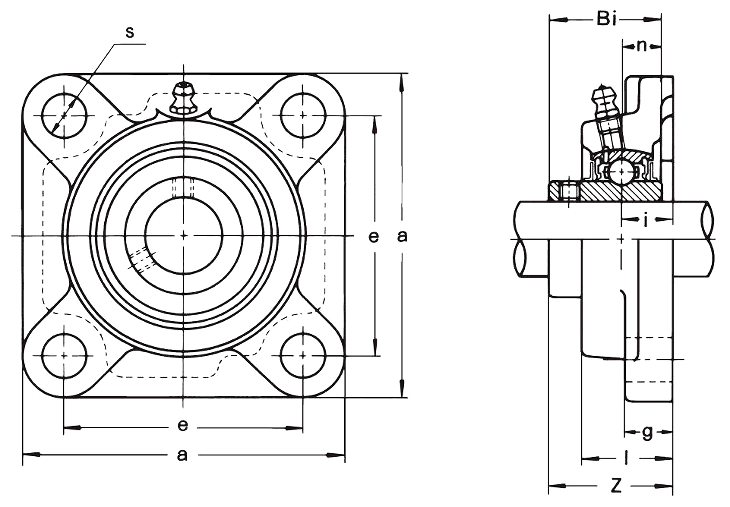
Specification
Identification numbers
502544
Measurement
45
137
105
22
18
38
16
52,2
49,2
19
M14
33
20,5
2,4
Flanged bearing unit
UCF 200
Cast iron
Set-screw locking
ASAHI
502544
back to list
