back to list
PUCT 205
                
                    Please read our terms of use.
                
            PUCT 200
                
            
                        CAD-Model
                    
                
                        You are welcome to look at this series of measurements from all sides with our interactive CAD model.
                    
                    
                            CAD-Model
                        
                    
            
                PDF datasheet
            
        
    
        
            Optimal display with Chrome, Edge and Firefox
        
        
    
                    
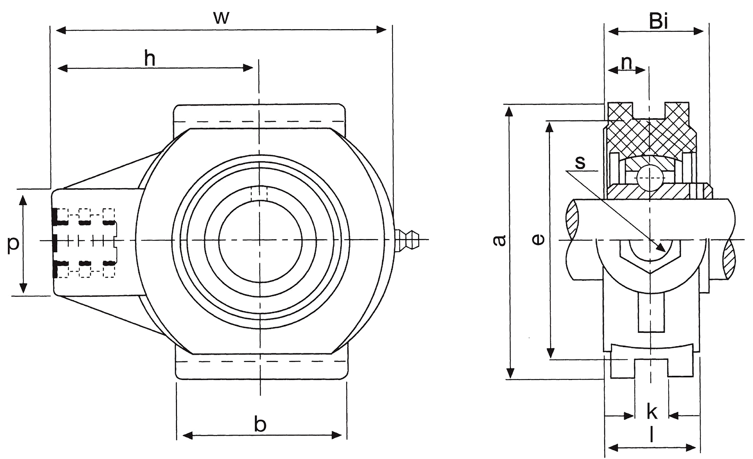
                    Specification
                
                
                
                    
                
            
                        Identification numbers
                    
                    512302
                            Measurement
                        
                        blue
25
36
M16
47
12
76
88
99
27,5
64
34,1
14,3
11,4
6
0,4
Take-up unit
PUCT 200
Thermoplastic
Set-screw locking
ASK
512302
back to list
