back to list
PUCP 204
                
                    Please read our terms of use.
                
            PUCP 200
                
            
                        CAD-Model
                    
                
                        You are welcome to look at this series of measurements from all sides with our interactive CAD model.
                    
                    
                            CAD-Model
                        
                    
            
                PDF datasheet
            
        
    
        
            Optimal display with Chrome, Edge and Firefox
        
        
    
                    
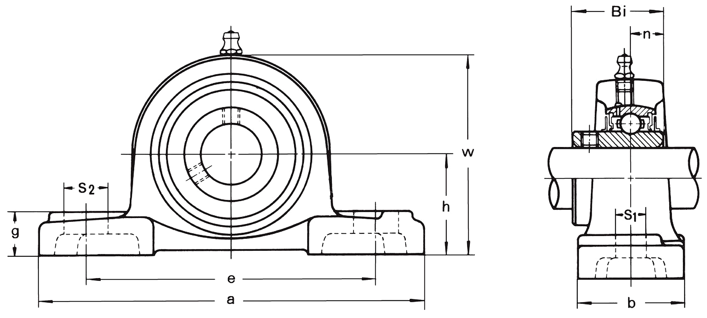
                    Specification
                
                
                
                    
                
            
                        Identification numbers
                    
                    512237
                            Measurement
                        
                        blue
20
33,3
127
95
38
11
14
14,2
65,5
31
12,7
M10
10,4
5
0,29
Pillow block
PUCP 200
Thermoplastic
Set-screw locking
ASK
512237
back to list
