back to list
MUCT 207
                
                    Please read our terms of use.
                
            MUCT 200
                
            
                        CAD-Model
                    
                
                        You are welcome to look at this series of measurements from all sides with our interactive CAD model.
                    
                    
                            CAD-Model
                        
                    
            
                PDF datasheet
            
        
    
        
            Optimal display with Chrome, Edge and Firefox
        
        
    
                    
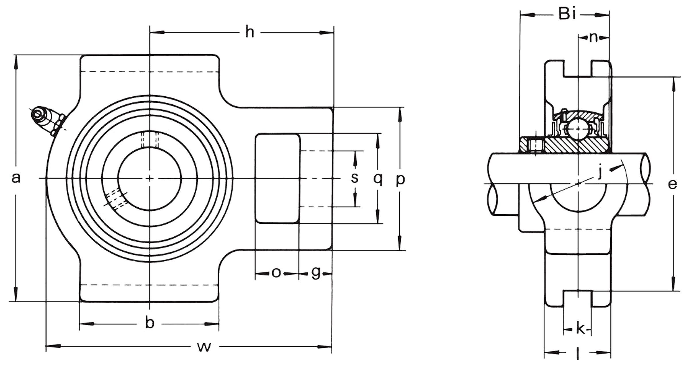
                    Specification
                
                
                
                    
                
            
                        Identification numbers
                    
                    508488
                            Measurement
                        
                        35
18
13
62
37
22
62
12
89
102
126
28
37
78
42,9
17,5
21,7
12
1,51
Take-up unit
MUCT 200
Stainless steel
Set-screw locking
ASK
508488
back to list
