back to list
MUCPPL 204
                
                    Please read our terms of use.
                
            MUCPPL 200
                
                    
    
            
                PDF datasheet
            
        
    
        
            Optimal display with Chrome, Edge and Firefox
        
        
    
                
            
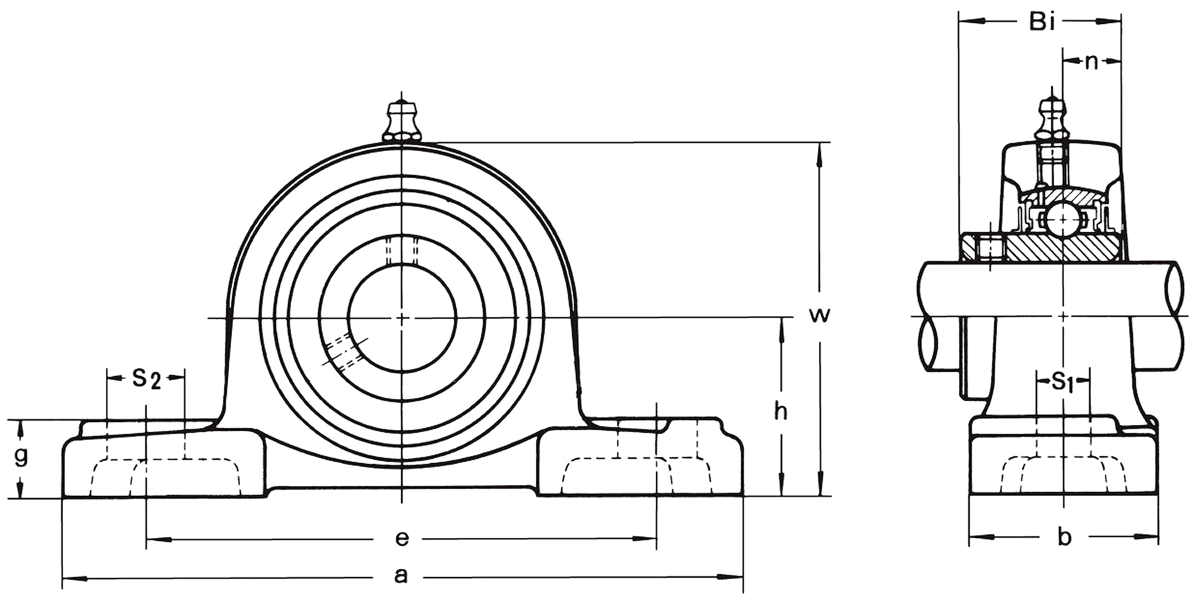
                    Specification
                
                
                
                     
                
            
                        Identification numbers
                    
                    502175
                            Measurement
                        
                        20
33,3
127
95
38
11
14
14,2
65
31
12,7
M10
10,9
5,3
0,24
Pillow block
MUCPPL 200
Thermoplastic
Set-screw locking
ASAHI
502175
back to list
