back to list
MUCNFL 205
                
                    Please read our terms of use.
                
            MUCNFL 200
                
                    
    
            
                PDF datasheet
            
        
    
        
            Optimal display with Chrome, Edge and Firefox
        
        
    
                
            
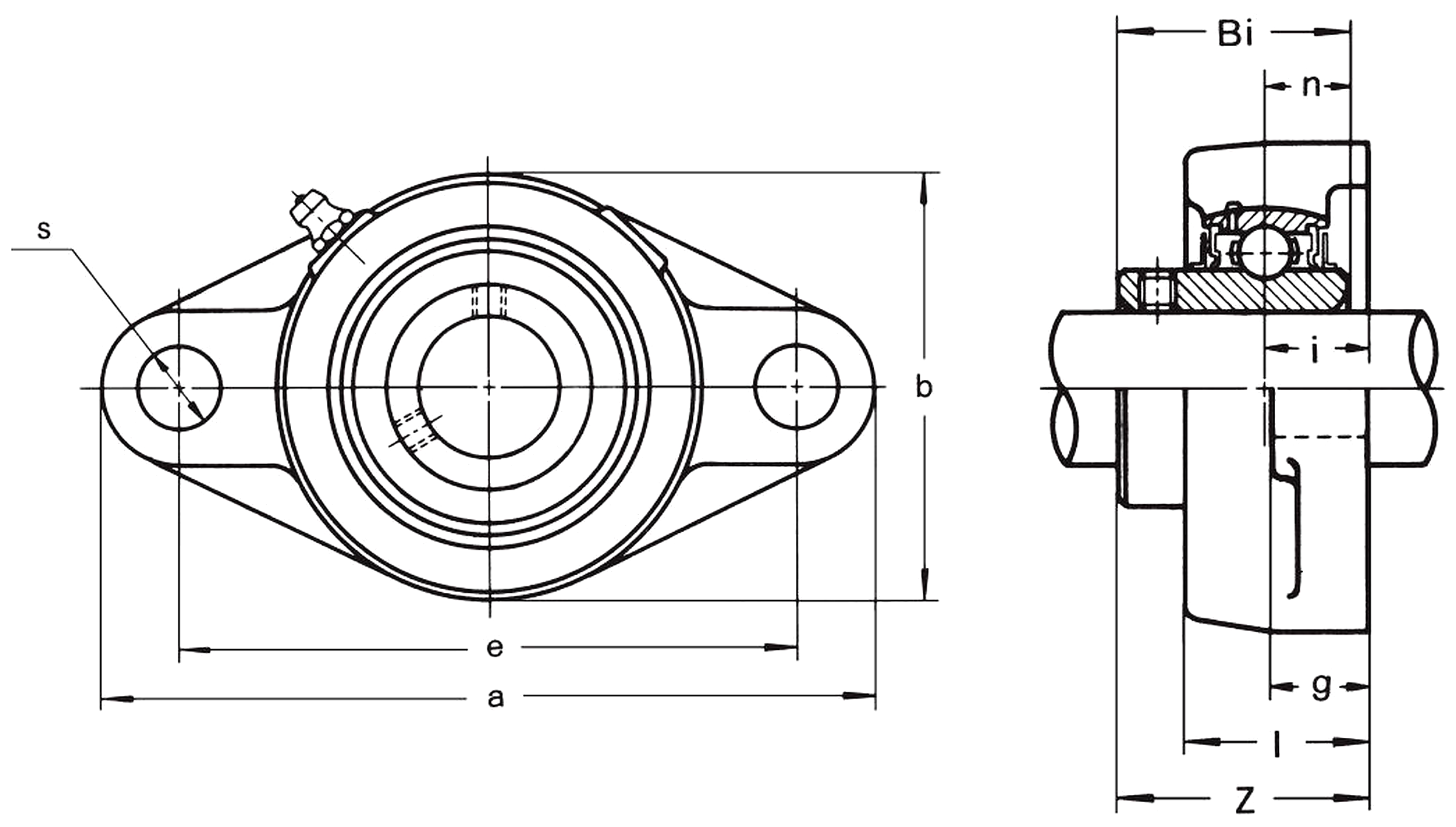
                    Specification
                
                
                
                    
                
            
                        Identification numbers
                    
                    502251
                            Measurement
                        
                        25
130
99
17
13,5
29,1
11
68
36,8
34,1
14,3
M10
11,9
6,3
0,3
Flanged bearing unit
MUCNFL 200
Thermoplastic
Set-screw locking
ASAHI
502251
back to list
