back to list
UCFS 326
Please read our terms of use.
UCFS 300
PDF datasheet
Optimal display with Chrome, Edge and Firefox
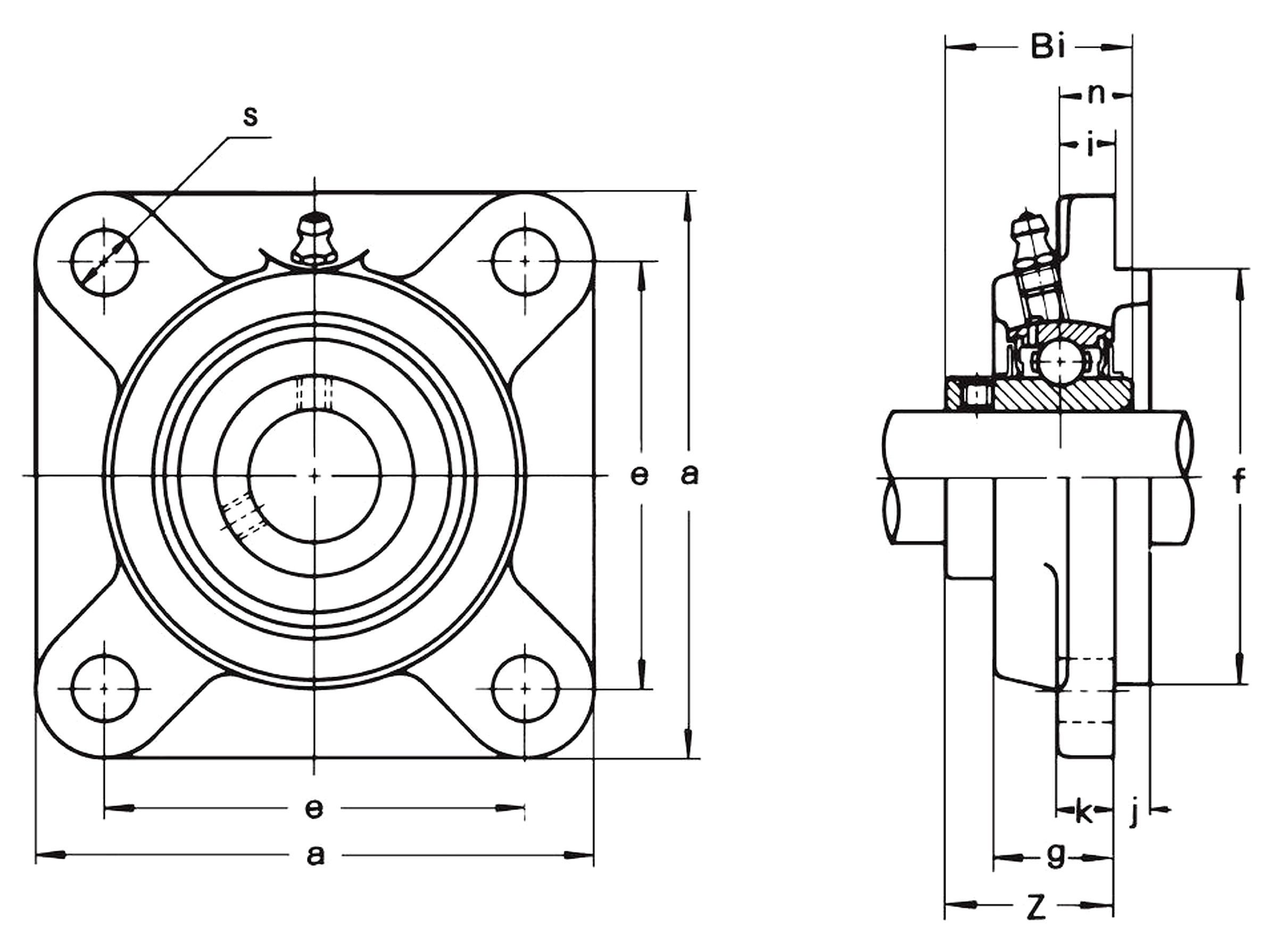
Specification
Identification numbers
502852
Measurement
130
410
320
35
85
41
30
45
360
116
135
54
M36
234
196
67,8
Flanged bearing unit
UCFS 300
Cast iron
Set-screw locking
ASAHI
502852
back to list
