back to list
UCF 312
Please read our terms of use.
UCF 300
CAD-Model
You are welcome to look at this series of measurements from all sides with our interactive CAD model.
CAD-Model
PDF datasheet
Optimal display with Chrome, Edge and Firefox
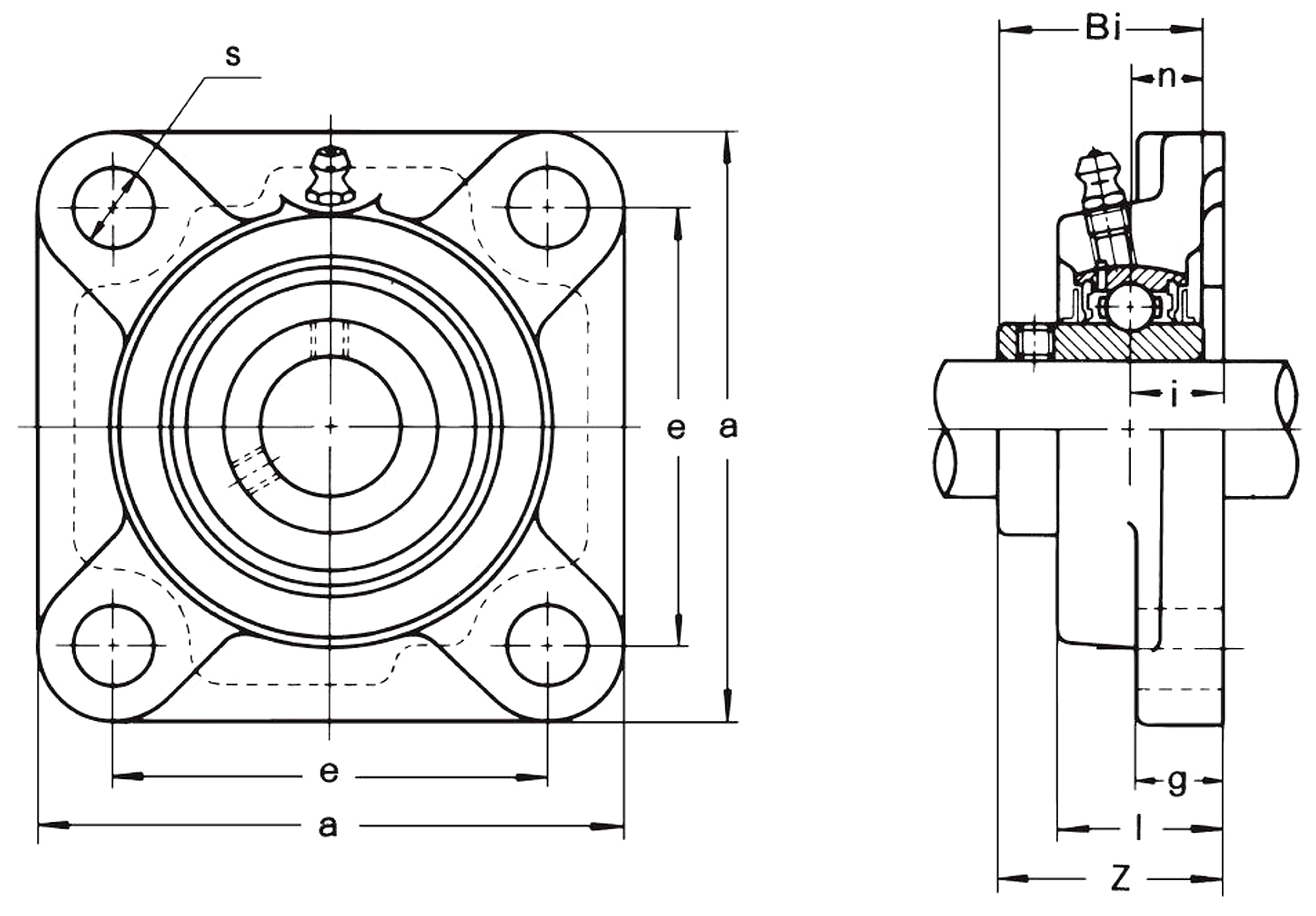
Specification
Identification numbers
508403
Measurement
60
195
150
33
22
56
23
78
71
26
M20
81,6
51,8
6,5
Flanged bearing unit
UCF 300
Cast iron
Set-screw locking
ASK
508403
back to list
