back to list
PUCF 204
                
                    Please read our terms of use.
                
            PUCF 200
                
            
                        CAD-Model
                    
                
                        You are welcome to look at this series of measurements from all sides with our interactive CAD model.
                    
                    
                            CAD-Model
                        
                    
            
                PDF datasheet
            
        
    
        
            Optimal display with Chrome, Edge and Firefox
        
        
    
                    
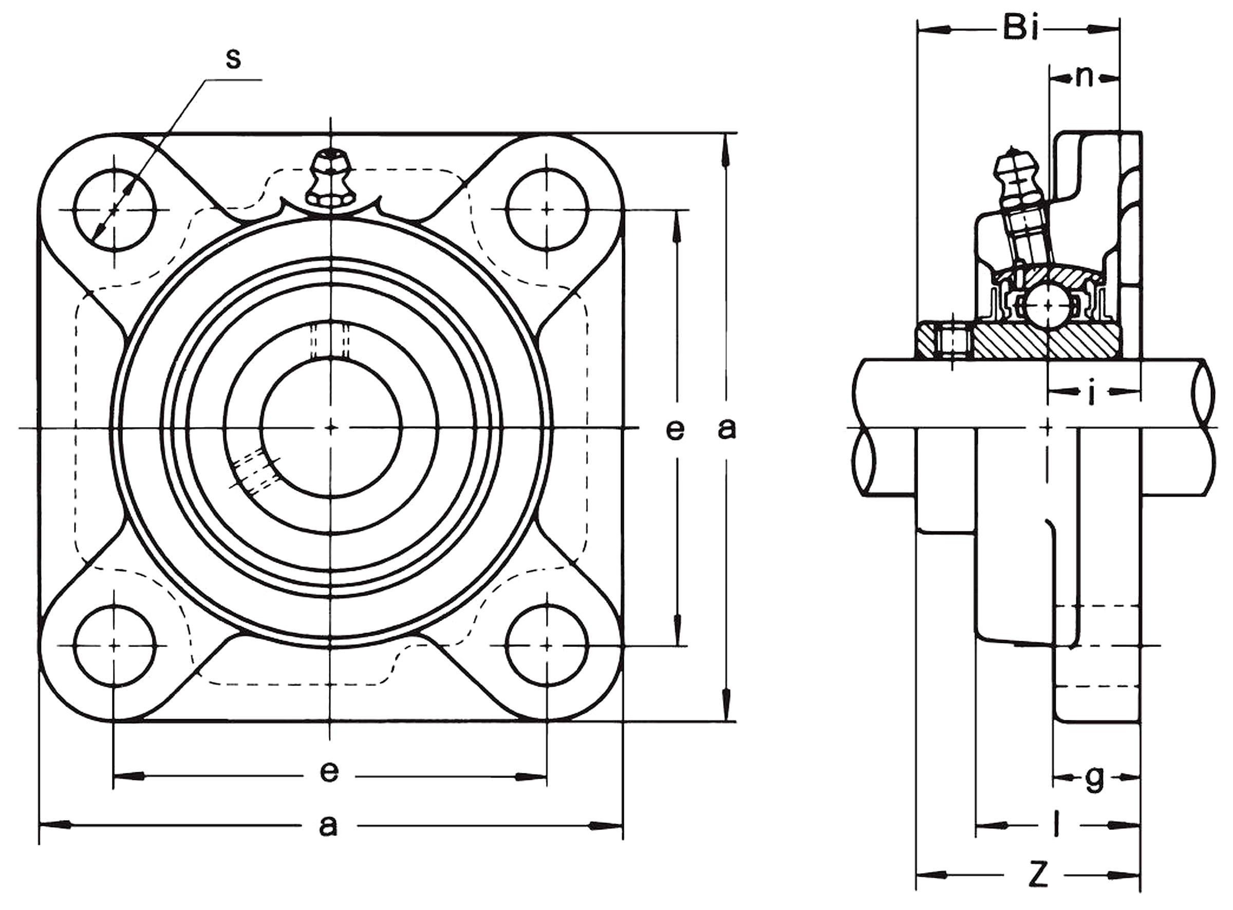
                    Specification
                
                
                
                    
                
            
                        Identification numbers
                    
                    512226
                            Measurement
                        
                        blue
20
86
63,5
18
13,4
27,8
11
36,3
31
12,7
M10
12,8
6,6
0,29
Flanged bearing unit
PUCF 200
Thermoplastic
Set-screw locking
ASK
512226
back to list
